
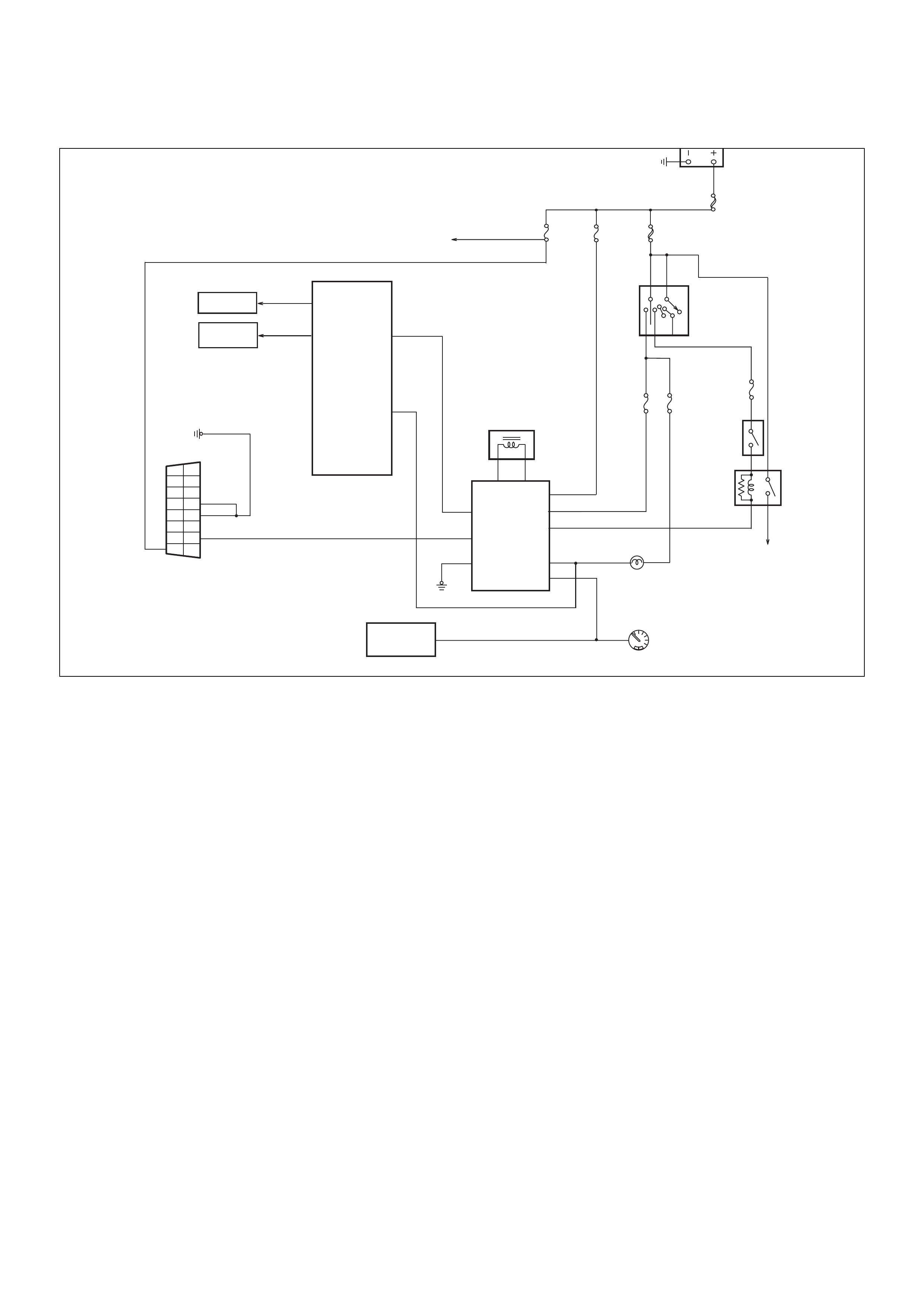
Coil Antenna
A non-contact radio frequency is used to transfer
information between the transponder key and the
Immobiliser Control Unit. Surrounding the ignition lock is
a dipole antenna, which is connected to the ICU by a
wiring harness.
The antenna is designed to have a very limited range,
ensuring that only the key in the ignition lock can
communicate with the ICU. This excludes the possible
interference from other transponder keys in the vehicle.
The antenna is accessed by removing the steering
column shroud. Apart from a continuity test on the coil
windin g, substitu tion with a known g ood part is the only
applicable diagnostic procedure.
Immobiliser Control Unit (ICU)
The Immobiliser Control Unit (ICU) is located behind the
RH lower instrument panel. The ICU is powered at all
times from Fuse C-23 (Immo) and receives an ignition
‘ON’ signal from Fuse C-12 (Engine).
Communication from the ICU to the PCM is on the
Vehicl e Speed Sensor (VSS) signal wi re (ICU pin B8 to
PCM pin S27).
Communication from the PCM to the ICU takes place on
the ‘CHECK ENGINE ’ Lamp (CEL) contr ol circuit (PCM
pin S11 to ICU pin B7).
NOTE: If th e ICU and PCM are re placed at the same
time, the ICU MUST be programmed BEFORE the
Immobiliser function of the PCM can be activated.
Powertrain Control Module (PCM)
The PCM is located on the passenger side of the engine
compartment, immediately behind the aircleaner
assembly.
Should the transponder key rolling code not match the
PCM’s calculated code, the PCM immobilises the
engine by disabling the fuel and ignition systems.
While visually siCELar , the MY2002 Frontera V6 PCM is
not interchangeable with the Holden GEN III V8 PCM.
When installing a new PCM, ensure that the correct
PCM is fitted to the vehicle. Refer to the latest parts
listing for PCM part number identification.
Note: A repl ac em ent PCM m ust b e p rogrammed. Re fer
to Section 0C-1 - Service Programming System. Once
programmed, the ICU and the PCM must be linked for
correct ope ratio n. Refer to System Prog ramming in this
section.