
G4237B13A
DOOR SPEAKER CONNECTOR
YB11 (DOOR HARNESS)
BR/B
RHR
(46)
Y/BLU
BLU/O
(116)
BLU/B
LHR
(199)
(115)
G
(118)
LHF
RHF
(201)
(200)
T
LG
(117)
GY
NEUTRAL START & BACK-UP SWITCH
YB35 (POWER TRAIN HARNESS)
(1434)
GY/BLU
(24)
LG GY(434)
(750)
B/R
(42)
BR/BLU
YB40 (POWER TRAIN HARNESS)
MANUAL TRANS BACK UP SWITCH
LG (24)
(42)
BR/BLU
BODY HARNESS CONNECTOR
YB39 (M.W.H)
(151)
(782)
(783)
(1220)
(116)
(199)
(540)
Y/BLU
BR/B
O/B
LG
BLU/O
BLU/B V/R
O/Y
V
G
BR
BLU/R
BLU
LBLU
LG
G
(15)
(24)
(46)
(115)
(1240) (322)
(120)
(192)
(9)
(20)
(14)
(117)
(641)
(200)
(43)
(701)
(315)
G/W
B/G
W
B/Y
Y
O/W
V
Y/B
IGNITION SWITCH
YB44 (M.W.H)
BR(4)
V(5)
(2)
R
(3)
P
YB66 (M.W.H)
INSTRUMENTS
T
BLU/B
BR/W
(234)
(25)
(14)
(10)
(875)
(155)
(1340)
G/W
(44)
(121)
(8)
(30)
BLU/Y
G
O/Y
P/BLU
BR/R
V/W
(33)
(946)
(1220)
(88)
(15)
(123)
(85)
(19)
GY
W
V/R
BR
BR/O
Y/R
B/Y
LBLU
BLU
YB72 (M.W.H)
RADIO
(115)
(46)
(117) (200)
LG
G
BLU/O
BLU/B
Y/BLU
BR/B
GY
(116)
(199)
(118)
(201)
T
(143)
(19)
BR/W
Y/R
B/W
Y
(1151)
(43)
Y/B(656)
GY W
LBLU
(8) (160)
(161)
(45)
O/B
YB74 (M.W.H)
BODY HARNESS CONNECTOR
(317)
(299)
(246)
(321)
R/Y
BR/O
BLU/R
Y
GY
O/B
W/G
T
G
T
P
LBLU
B/Y
(30)
(174)
(1145)
(118)
(342)
(201)
(139)
(411)
(155)
(47)
(882)
(883)
(884)
(885)
(33)
O/BLU
B
BLU
V
Y
BR/O
B/G(255)
(155)
B/Y
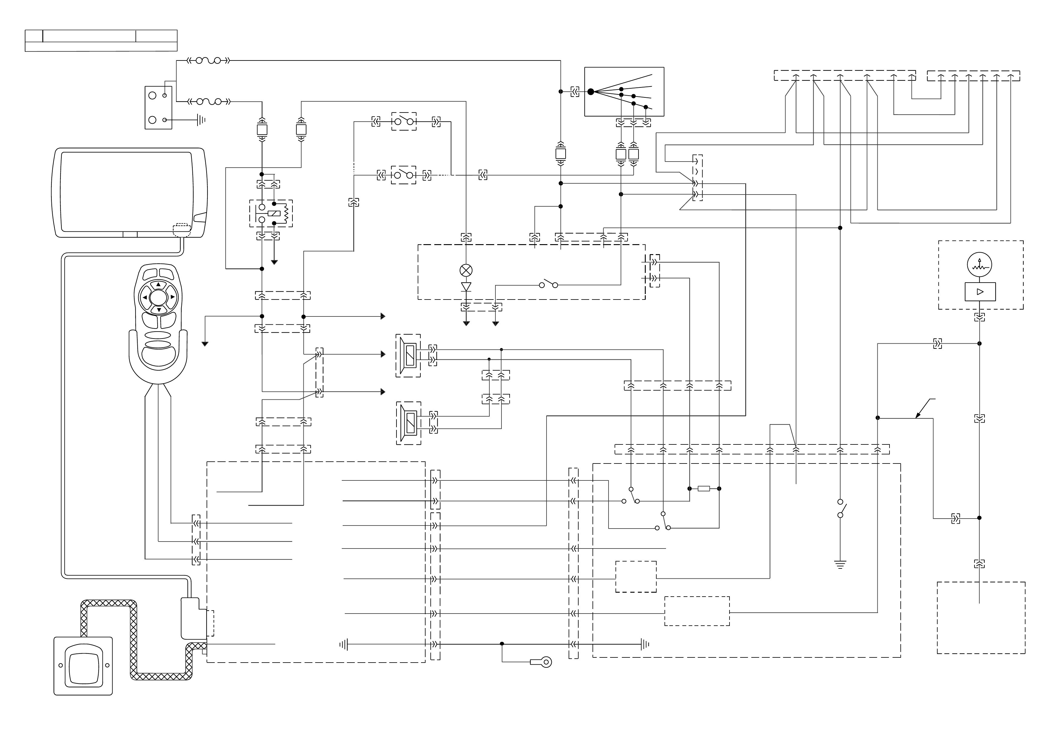
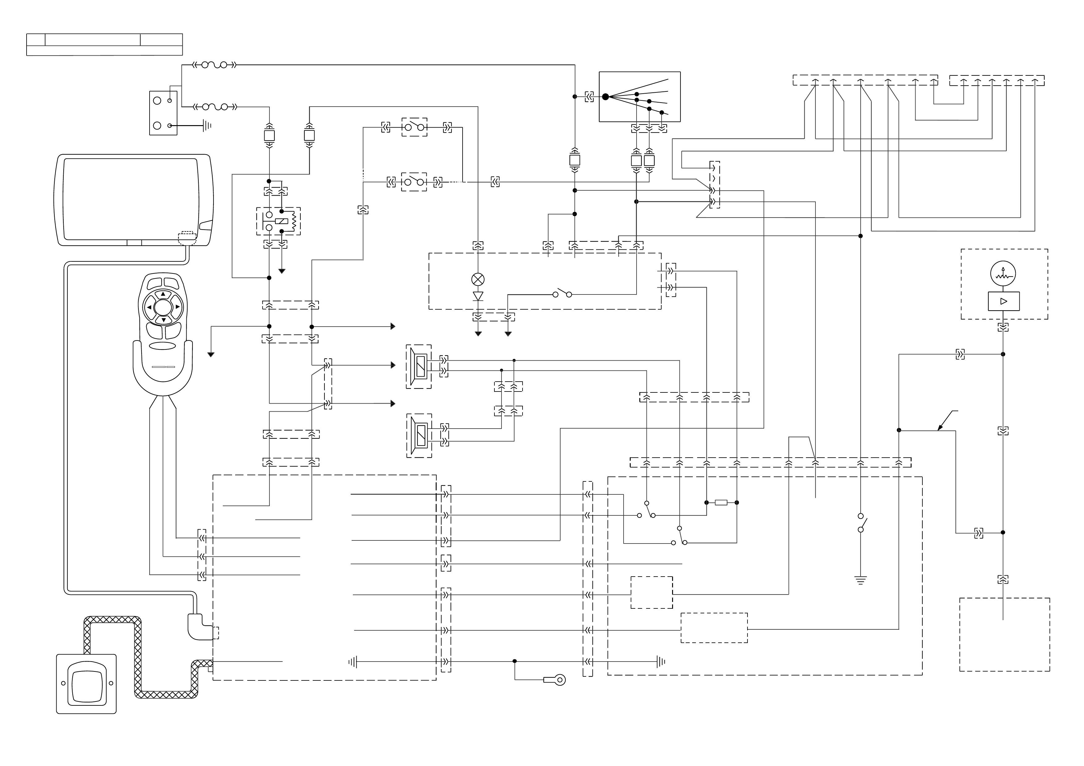
YB137 (SATNAV HARNESS)
V
1
6
7
14
YY/B BLU TT/B
GY/B
GY
BLU/G
B/W
BWYY/W
GPS INTERFACE CONNECTOR
YB156 (M.W.H)
DASHBOARD SPEAKER CONNECTOR
(200)
LG
(201)
T
(117)
G
(118)
GY
R.H
L.H
YB192 (M.W.H)
PARK LAMPS RELAY
(49)
BLU
(840)
O/W BR(9)
O/W(840)
YB188 (POWER TRAIN HARNESS)
(481)
(417)
(740)
R
BLU
O/B
(1456)
LG
V/W(415) Y
(1227)
B/Y (410) BR(472)
(259)
(750)
(750)
(1221)
B/R
B/R
R/B
G/B
(39)
P
(465)
G/W
(416)
GY
(740)
O/B
A1
B1
B12
A12
P.C.M. CONNECTOR 2 (S/C ONLY)
YB193 (POWER TRAIN HARNESS)
(413)
(412)
(1413)
(1412)
(430)
(453)
(815)
V/B
GY/B
V
GY
V
B/R
W/R
(897)
(897)
G/W
G/W
(418)
(418)
BR
BR
(1426)
O/W
C16
D16
WT/B
(832)
(647)
(630)
T
LBLU/B
B
(424)
(423)
C1
D1
(792)
(422)
(1222)
(1223)
(428)
(123)
BR/W
GY/R
LG
Y/B
G/Y
V/W
BLU/W
(443)
LG/W
(442) (831)
(441)
LBLU
LBLU/B
(444)
LG/B
P.C.M. CONNECTOR 1
ENGINE CONNECTOR 3
YE112 (M.W.H)
V6 S/C ONLY
(1221)
(42)
(121)
BR/BLU
BR/R
R/B
O/B
LG
P/B
BLU
(740)
(24)
(39)
(774)
LBLU(411)
ENGINE CONNECTOR 1
YE110 (M.W.H)
(304)
BLU/W
G/W
(339)
P/BLU
(465)
(123)
V/W
(1427)
B/W
Y(1049)
O/W(1426)
YE123 (POWER TRAIN HARNESS)
P.C.M CONNECTOR 2
(750)
(1228)
(1229)
(465)
(121)
(259)
G/B
BR
G/W
GY/BLU
R
B/R
(418)
BR
(59)
(832)
G
T
(831)
(417)
(472)
(976) (974)
(432)
(428)
(631)
BLU
BR G/Y
BLU/W
LG
BR/W
W/B
LG W
(977)
Y
(971)
BLU/W
W
B/R (750)
(304)
(792)
(1223)
(1222)
(123)
(1227)
(469)
(331)
Y/B
LG
V/W
B/Y
G/O
BR/W
(1687)
GY/B
(366)
LG/B
GY/R (422)
V
(442)
(444)
(443)
(975)
(972)
(978)
(1224)
(973)
(959) LG/W
LG/B
LBLU/B
GY(773)
BR/Y
BLU
G
Y/B
LBLU
(958)
BR
(441)
LBLU
1
41
40
80
J2
RED
Y(838)
BLU/R BLU/R
(15) (15)(R.H) (R.H)
(R.H) (R.H)
YR13 "A" (SATNAV LIGHT PATCH HARNESS)
YR13 "B" (BODY HARNESS)
BR BR
(156) (156)
BLU BLU
TAIL LAMPS CONNECTOR TAIL LAMPS CONNECTOR
(20) (20)
LG LG
N/C N/C
(24) (24)
B/BLU B/BLU
(14) (14)(L.H) (L.H)
(L.H) (L.H)
LBLU LBLU
(9) (9)
BR/W BR/W
(1251) (1251)
CELLULAR TELEPHONE CONNECTOR
YB23 (M.W.H)
O/B
B/G
(43)
(656) (45)
(151)
Y
Y/B
YB73 (M.W.H)
RADIO CONNECTOR
(515)
(701)
(1151)
BR
B/Y
B/W
O/B
V
(45)
(782)
YB77 (BODY HARNESS)
L.H. FRONT DOOR HARNESS CONNECTOR
9
6
8
3
3
579
246
4
17
2
8
1
5
(1145)
(294)
(194)
(908)
(909) (911)
(1124)
(667)
O/B
B/R
BR/O
G
GY
VBR W/BLU
(195)
BR/R
B/Y
(394)
(666)
(156)
BLU
B/BLU
V/W
(295)
(118)
(201)
T
GY
YB136 (SATNAV HARNESS)
RADIO PATCH HARNESS CONNECTOR
GY/B
T/B
GY
P
YB138 (SATNAV HARNESS)
V
SATNAV SPEED SENSOR CONNECTOR
YR59 (SATNAV HARNESS)
BR G
SATNAV LAMP PATCH CONNECTOR
YR57 (SATNAV HARNESS)
SATNAV COMPUTER CONNECTOR (A)
WO/B
DKG
B/W
BR Y/W B
1
4
8
5
(VDO DAYTON MS5000)
YR58 (SATNAV HARNESS)
Y
1
54
8
BR
BLU BLU/G
SATNAV REMOTE CONTROL CONNECTOR (B)
(VDO DAYTON MS5000)
YR57 (SATNAV HARNESS)
SATNAV COMPUTER CONNECTOR (A)
(PHILIPS CARIN)
B/W
DKG
Y/W
BLU
O/B
B
BLU/G BR
6
7
12
1
YR58 (SATNAV HARNESS)
SATNAV REMOTE CONTROL CONNECTOR (B)
(PHILIPS CARIN)
8
1
16
9
B
R
Y
W